Компания ГК ПРАКТИК реализует соосно-цилиндрические редукторы в алюминиевом корпусе серии TRC, а также осуществляет доставку заказываемых у нас устройств по Нижнему Новгороду и в регионы РФ.
Применение
Соосно-цилиндрические редукторы серии TRC применяются в качестве привода различных типов оборудования в металлургической, химической, деревообрабатывающей, пищевой и других отраслях промышленности.
Особенности конструкции
Соосно-цилиндрические редукторы типа TRC – это инновационные устройства, имеющие конструкцию модульного типа. Они могут комплектоваться сервомоторами, а также различными типами двигателей: взрывозащищенными, со встроенным тормозом, общепромышленными, двигателями, предназначенными для эксплуатации с частотным преобразователем.
Корпус редуктора TRC изготовлен из алюминия, имеет резьбовые отверстия для присоединения к оборудованию, а также, при необходимости, может комплектоваться дополнительными присоединительными элементами.
Мотор-редукторы серии TRC производятся в 4-х типоразмерах с диаметрами валов: 20, 25, 30, 35 мм, - и оснащаются электродвигателями, мощностью от 0,09 - 7,5 кВт.
Технические особенности
- малый вес и компактные габаритные размеры, обеспечивающие возможность применения редукторов TRC в сочетании с различными видами оборудования;
- низкие шумовые и вибрационные показатели;
- модульная конструкция, позволяющая создавать различные варианты модификаций;
- передаточное число (отношение) от 3,66 – 54 i;
- выходной (крутящий) момент от 120 - 500 Нм.
Габаритные и присоединительные размеры
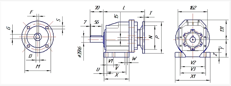
TRC 01
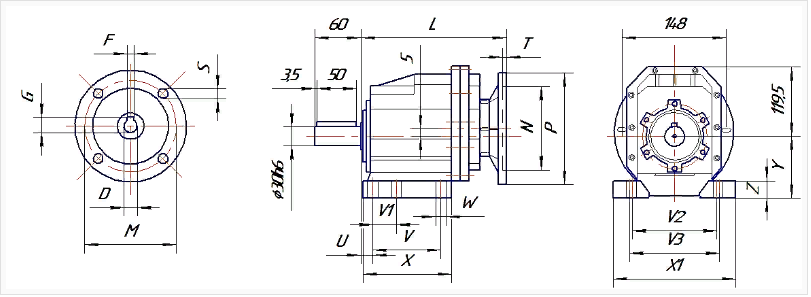
TRC 02
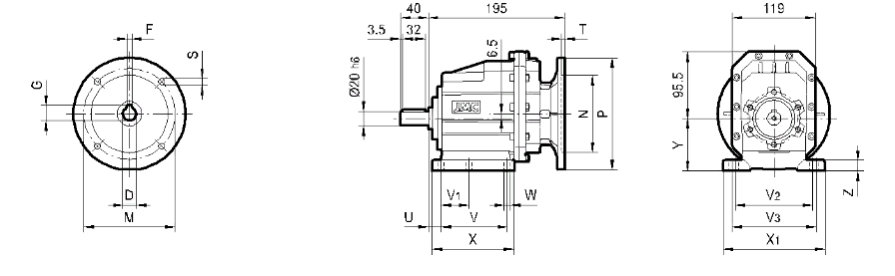
TRC 03
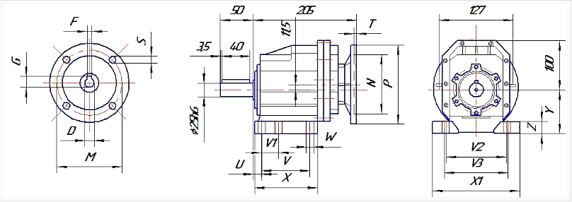
TRC 04
Монтажные положения
Соосно-цилиндрические редукторы типа TRC имеют 6 типов монтажных положений фланцевого либо лапового типа крепления, что обеспечивает широкие возможности для вариантов установки.
Особенности заказа
Получить подробную консультацию по выбору оборудования, а также купить соосно-цилиндрические редукторы серии TRC с доставкой устройств вы можете, обратившись в офис продаж компании.
